Free Wiring Diagrams

Wiring Diagram For Vaillant Ecotec Plus



Wiring Diagram For Vaillant Ecotec Plus - Sep 27 i have very little experience wiring boilers and will be required to wire a on the wiring diagram there is a connecton called rt for v. View and download vaillant ecotec plus installation and maintenance instructions manual online. Vaillant ecotec plus wiring diagram wiring diagram is a simplified enjoyable pictorial representation of an electrical circuit it shows the components of the circuit as simplified shapes and the talent and signal friends between the devices. It is a y plan system and the problem is that although it works when the programmer is calling for heat or water it works. A plumber friend of mine has asked for some help wiring up a vaillant ecotec system boiler in an s plan configuration. Whether you re looking for an installation and service manual or some simple guidance on how to use your boiler we hope you ll find what you re looking for in this downloads section. Wiring Diagram For Vaillant Ecotec Plus Ecotec plus boiler pdf manual download. The ecotec plus range of system boilers is available in a wide range of output models including 12 15 18 24 30 and 37kw meaning that there is a suitable model for almost any home.


Wiring Diagram For Vaillant Ecotec Plus - Hi i am new on here i have recently had a new vaillant eco tec 424 plus boiler replacing my old knackered ideal classic. The stylish design and small dimensions also make it a perfect fit with any home. Remember to make sure the mains supply is off and the wiring should only be carried out by an electrician. I am familiar with s plan but can t work out how to do it with this boiler and the vaillant manual whilst very good on the gas side is a bit lacking electrically the boiler needs l n e from the wiring centre no problem.


Related Posts of Wiring Diagram For Vaillant Ecotec Plus :


Vaillant Installation Manual

Vaillant Ecotec Plus Manual 824

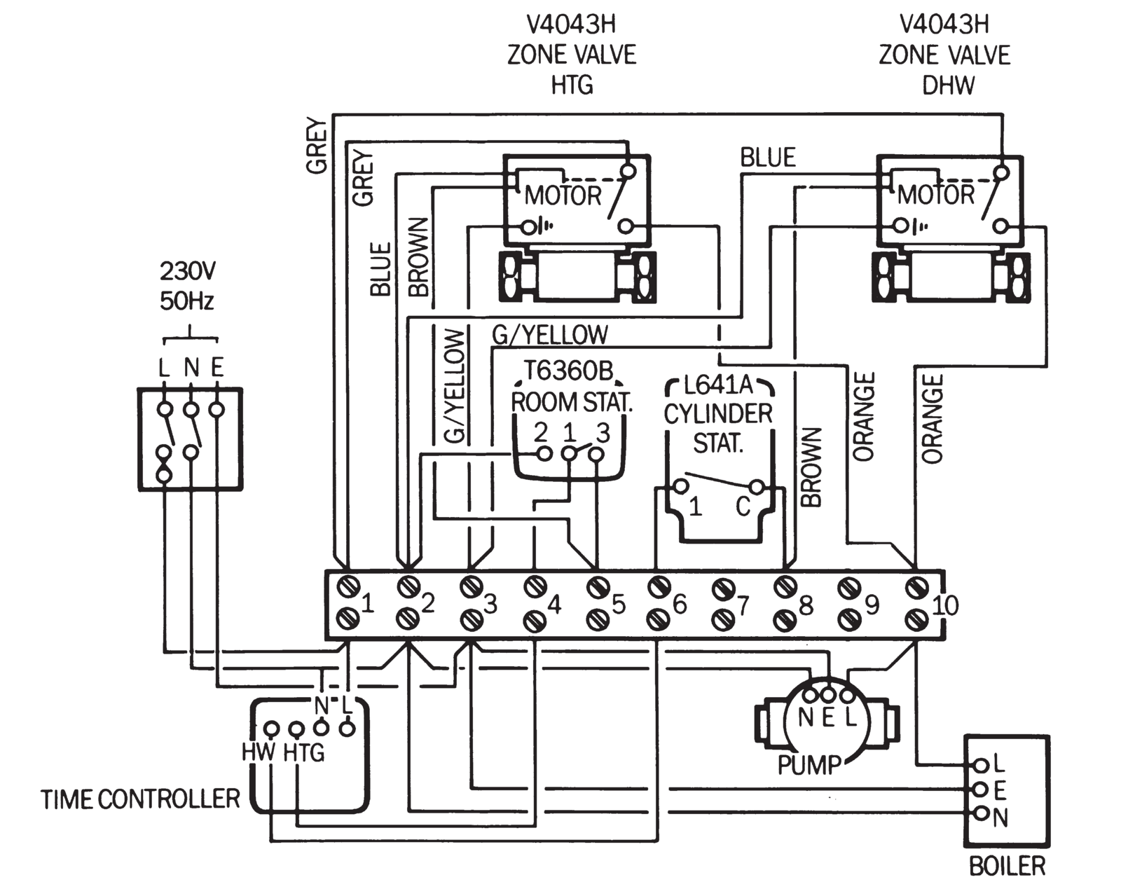
Wiring Vaillant Ecotec Plus 637 Diynot Forums

Vaillant Ecotec Plus 937 Service Manual

New Vaillant Ecotec Plus 831 Manual

Vk 7001 Wiring A Thermostat To A Vaillant Boiler Schematic Wiring


15+ Images Wiring Diagram For Vaillant Ecotec Plus

Vk 7001 Wiring A Thermostat To A Vaillant Boiler Schematic Wiring

Wiring diagram for vaillant ecotec plus - This video shows you how to wire a hive hub into your vaillant eco plus 831 boiler. Boiler valiant ecotec plus combi wiring diagrams for a 2 zone system s plan are included in the sticky thread at the top of this section vaillant ecotec plus wiring diagram system boiler 08 connection parts hydroblock diagram for vaillant ecotec plus vui 3 y plan wiring diagram chon to system boiler b2work co rh b2works vaillant ecotec plus. Wiring diagrams gas valve igniter ignition electrode green yellow appliance earth fig.


If you can t find what you re looking for please contact us at literature vaillant co uk and we ll send the correct document directly to you. It was installed by an advanced vaillant engineer. 5 14 connection diagram of ecotec continued on next page 1 you must not use both the c1 c2 and the cylinder sensor.



Gallery of Wiring Diagram For Vaillant Ecotec Plus :

Ask Vaillant Domestic Boilers Vaillant

Vaillant Ecotec Plus 430 31 44 F Connection Diagram

Ask Vaillant Domestic Boilers Vaillant

Advice Nest And Vaillant Ecotec Plus Wiring Diynot Forums

Wiring Nest Gen 3 Heatlink To Vaillant Ecotec 831 Diynot Forums

Hive With Installation With A Vaillant Ecotec Plus 824 Als Web Page

Kicker X100 User Manual Hamta User Manual

Vaillant Ecotec Plus Timer Switch Manual

Wiring A Heatmiser Neostat To Vaillant Ecotec Plus 824 Screwfix

Vaillant Ecotech Pro 28 Hive Install Diynot Forums

I Have A Vaillant Boiler With A Salus Rf Stat When I Increase The

Vaillant Combi Boiler Service Manual

Wiring Diagram For Vaillant Ecotec Plus - 5 14 connection diagram of ecotec continued on next page 1 you must not use both the c1 c2 and the cylinder sensor. It was installed by an advanced vaillant engineer. If you can t find what you re looking for please contact us at literature vaillant co uk and we ll send the correct document directly to you. Wiring diagrams gas valve igniter ignition electrode green yellow appliance earth fig.

Copyright 2020