Free Wiring Diagrams

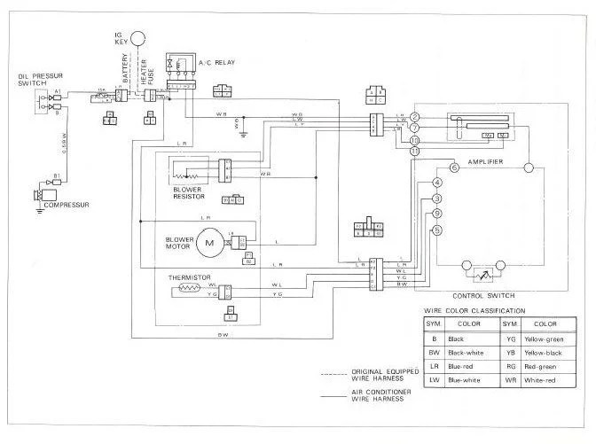
Hzj75 Air Con Wiring Diagram



Hzj75 Air Con Wiring Diagram - Describe and identify the diagram component u. Collection of air conditioner wiring diagram pdf. How to wire an air conditioner for control 5 wires the diagram below includes the typical control wiring for a conventional central air conditioning system furthermore it includes a thermostat a condenser and an air handler with a heat source. Understanding toyota wiring diagrams worksheet 1 1. Toyota land cruiser 1998 1999 2000 2001 2002 2003 2004 2005 2006 2007 electrical wiring diagram. Describe the meaning of the c13 in the diagram component q. Hzj75 Air Con Wiring Diagram Toyota land cruiser pdf workshop and repair manuals wiring diagrams spare parts catalogue fault codes free download toyota land cruiser 1998 2007 automatic transmission service manual toyota land cruiser 1998 2007 ga sr series engine mechanical service manual toyota land cruiser 1998 2007 body mechanical service manual toyota land cruiser 1998 2007 body repair manual toyota land. Collection of free car service manuals.


Hzj75 Air Con Wiring Diagram - Describe the meaning of the s d in diagram component t. Get under the back follow the wiring to about a 250mm fom the left and you will find a bolt with the common earth. Describe the meaning of the 2 in diagram component s. Describe the meaning of the g w in diagram component r.


Related Posts of Hzj75 Air Con Wiring Diagram :


Solved Does Anyone Have A Wiring Diagram For A Hzj75 Ute Just

A C Amplifier Wiring Ih8mud Forum

V8 Swap Compressor With Toyota A C Wiring Diagram Ih8mud Forum

Toyota Vdj79r Air Con Amplifier Ih8mud Forum

Ac Amplifier Not Working Ih8mud Forum

A C Clutch Not Engaging Land Cruiser Club


20+ Images Hzj75 Air Con Wiring Diagram

A C Clutch Not Engaging Land Cruiser Club

Hzj75 air con wiring diagram - Moreover the heat source for a basic ac system can include heat strips for electric heat or even a hot water coil inside the. It shows the parts of the circuit as streamlined shapes and the power and also signal connections in between the gadgets. A wiring diagram is a streamlined standard photographic depiction of an electric circuit.


If you carnt fix it this way take the tail light out solder a wire on the earth wire and with a self tapper screw it in the body behind the light. The earth for the rear of the troopie is located under the rear to the lh side.



Gallery of Hzj75 Air Con Wiring Diagram :

Zm 9520 Will This Wiring Diagram Work On My 80 Ih8mud Forum

1980 Fj40 Factory Nippondenso A C Tech Question Please Help

Drum Brake Brakes System Brakesystem

Imagen De Pablo Uris En Automoviles En 2020 Taller Mecanico

Pin En Apuntes Varios

Turbocharger And Intercooler System ยานพาหนะ เทคโนโลย รถยนต

Https Encrypted Tbn0 Gstatic Com Images Q Tbn 3aand9gcsvbk09weh1vmqm Azuvgrsuquarz5wbgbkmioz3kty5e Tlyuz Usqp Cau

Https Encrypted Tbn0 Gstatic Com Images Q Tbn 3aand9gcqmrh5dlzc Bi9wom3xfhjebxmznia5ozjnugqujsrq90jeb G Usqp Cau

Hzj75 Air Con Wiring Diagram - The earth for the rear of the troopie is located under the rear to the lh side. If you carnt fix it this way take the tail light out solder a wire on the earth wire and with a self tapper screw it in the body behind the light. A wiring diagram is a streamlined standard photographic depiction of an electric circuit. It shows the parts of the circuit as streamlined shapes and the power and also signal connections in between the gadgets.

Copyright 2020